?1. 概述
QuikSep Pilot全自動層析系統是為中試級別的蛋白、抗體等生物樣品的純化制備而專門設計的,適用于蛋白、疫苗、血液制品、單抗等生物制品及多糖、天然產物等的純化工藝開發、樣品制備。
QuikSep Pilot全自動層析系統具有自動化程度高,可進行密集的程序化方法探索,軟件功能強大,硬件支持多路溶劑、樣品及層析柱。該系統采用模塊化、功能化、智能化的設計,方便客戶根據自己的實際需要選擇最適合自己的純化系統。

QuikSep Pilot系統具有以下幾個優點:
* 堆疊式管路設計,實現最小的管路死體積;
* 用戶定制實現用戶靈活多變的配置和輕松升級;
* 自主開發的控制軟件,符合FDA規范,數據、日志實時記錄,可追溯,不可修改;
* 靈活的方法編輯功能,可基于時間、體積、柱體積進行自動流程生產;
* 能夠自動保存臨時編輯的方法;
* 能夠實現自動上樣及自動判斷上樣完畢自動切換到洗脫模式;
* 穩定可靠的數據采集和管理功能,實時記錄保存,斷電數據不丟失,可追蹤原始記錄;
* 符合USP ClassⅥ的材質,不銹鋼外殼,防護等級IP65;
* 符合URS中的其他要求,完整的FAT、DQ/IQ文件驗證。
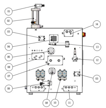
2. 系統結構布局圖

3. 軟件設計
1)合理、直觀的軟件操作界面
層析系統軟件符合新版GMP規范,采用圖形化界面、全自動操作,簡明扼要,任何操作及狀態均可實時顯示在主界面狀態欄中,自動化程度高。結合了大量的容錯性設計,貼合生產實際,降低了對研發人員的技能要求。
2)簡明而又強大的方法編輯及自動控制功能
可以依據UV、電導值等實現自動收集;能夠自動保存臨時編輯的方法;可基于時間、體積、柱體積進行自動流程運行;采用Block的方法編輯方式,使得方法具有跳轉、中斷、嵌套的功能,加上強大的watch指令,能實現諸多功能,包括自動上樣、自動收集、檢測到氣泡自動切換等功能。

3)Scouting功能
Scouting,即探索功能,通過將方法中的某些參數編輯成變量,然后通過Scouting設置,將同樣的方法運行多次,每次僅僅是自動修改方法中的某個或某些參數,從而實現參數的自動尋優,譬如尋找最適合的流速、尋找最適合的裝柱高度等。
Scouting功能只需簡單的設置變量、設置Scouting次數,既可實現方法多次重復運行、完全自動化工藝尋優,也可實現多種洗脫液自動配制,實現儀器最大智能化。

4)穩定可靠的數據采集和管理功能
實時采集過程數據、記錄日志,即使掉電后數據也不會丟失,并將所有數據保存到同一文件,方便移植和備份。數據查看也非常便捷,曲線、日志、操作信息等一目了然,還可直接生成PDF報告、歷史不同批次的曲線對比,進行自動柱效分析等。
4. 主要器件
1)柱塞泵
a.與藥液接觸部分為PEEK材質,與蛋白等生物樣品具有良好的兼容性,耐強酸、強堿、高鹽;
b.不僅耐受高壓,并且在低溫低壓下具備良好的穩定性,具有優異的輸液精度;
c.泵頭帶有自沖洗功能,避免純化生物樣品時,鹽等在泵頭析出,造成儀器損壞和污染;
d.采用電子壓力脈動補償措施,為蛋白層析系統提供極佳的梯度精度和重復性,保證純化結果的重現性。

2)檢測器
a.UV檢測器采用進口器件,單波長或可變雙波長,保證良好的精度及穩定性。
b.壓力傳感器采用國際知名品牌,精度高,可為填料和系統泵提供完善的保護。
c.pH/電導采用國際知名品牌,可進行溫度補償,在線校準。
3)閥門
a.采用知名品牌多通道電磁閥,最小死體積設計。
b.閥頭與驅動部分模塊化設計,標準手緊接頭固定管路,易于維護。
?